Унвент®

Ваш производитель и поставщик вентиляционного оборудования
Дата: суббота, 07 февраля 2026
Унвент®
+7 985 318-40-16
с 8:00 до 18:00

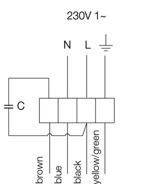
Схема подключения. Вентилятор KD 200 L, KD 250 M, KD 250 L, KD 315 L, KD 315 M, KD 355 S

Схема подключения. Вентилятор KD 200 L, KD 250 M, KD 250 L, KD 315 L, KD 315 M, KD 355 S