Вентилятор КD
- Возможность регулирования скорости
- Встроенные термоконтакты
- Монтаж в любом положении
- Допускается наружный монтаж
- Не требуют обслуживания и надежны в работе
Рекомендации по применению
Приточно-вытяжные системы,когда необходимо перемещать большие объемы воздуха с относительно высоким статическим давлением и низким уровнем шума.
Конструкция
Компактный корпус KD из оцинкованной листовойстали. На корпусе имеются монтажные скобы для удобного монтажа.
Двигатель
Применяются двигатели с внешним ротором и новым типом диагональных лопастей, что позволяет уменьшить габариты вентиляторов. Двигатели снабжены встроенными термоконтактами с выводами для подключения внешнего устройства защиты.
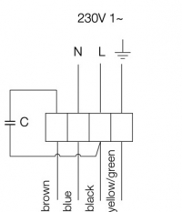
Регулирование скорости: осуществляется с помощью бесступенчатого тиристора или 5-ти ступенчатого трансформатора.
Монтаж
Вентиляторы КD устанавливаются в воздуховодах круглого сечения. Монтаж осуществляется под любым углом относительно оси вентилятора, хомуты FK упрощают монтаж и демонтаж, а также предотвращают передачу вибрации на воздуховоды.
Сертификаты
Сертификаты соответствия РФ и Украины.
Электрические принадлежности:
- CO2RT- Датчик СO2
- DTV - Дифференциальный датчик давления
- HR1 - Комнатный регулятор влажности
- MicroREX - Цифровой недельный таймер
- IR24-P - Детектор движения
- RE - 5-ступенчатый трансформатор, 1-фазный
- REE - Тиристорный регулятор скорости, 1-фазный
- REP/RET - Тиристорный регулятор скорости, регулировка по давлению, 1-фазный
- REPT - Цифровой регулятор напряжения, 1-фазный
- REU - 5-ступенчатый трансформатор с ручной регулировкой, 1-фазный
- RT 0-30 - Комнатный термостат
- T120 - Таймер, 120 минут
- CB - Электрический нагреватель для круглых каналов
- CBM - Электрический нагреватель со встроенным устройством управления
- CWK - Водяной воздухоохладитель для круглых воздуховодов
- FFR - Кассеты фильтров для круглых воздуховодов
- FGR - Кассеты фильтров для круглых воздуховодов
- FK - Быстроразъемные хомуты
- LDC - Шумоглушитель для круглых воздуховодов
- SG - Защитная решетка
- VBC - Водяной воздухонагреватель для круглых воздуховодов
- VBF - Водяной воздухонагреватель с фильтром для круглых воздуховодов
| Наименование | № | Мощность двигателя, кВт | Скорость вращения, об/мин | Напряжение, В | Частота, Гц | ... | Цена, руб. |
|---|---|---|---|---|---|---|---|
| KD 200 L1 | 2 | 0,27 | 2500 | 230 | 50 | под расчет | |
| KD 250 M1 | 2,5 | 0,25 | 2500 | 230 | 50 | под расчет | |
| KD 250 L1 | 2,5 | 0,37 | 2500 | 230 | 50 | под расчет | |
| KD 315 L1 | 3,15 | 0,37 | 2500 | 230 | 50 | под расчет | |
| KD 315 M1 | 3,15 | 0,25 | 2500 | 230 | 50 | под расчет | |
| KD 355 S1 | 3,55 | 0,37 | 2500 | 230 | 50 | под расчет | |
| KD 315 XL1 | 3,15 | 0,28 | 1500 | 230 | 50 | под расчет | |
| KD 355 M1 | 3,55 | 0,27 | 1500 | 230 | 50 | под расчет | |
| KD 355 XL1 | 3,55 | 0,43 | 1500 | 230 | 50 | под расчет | |
| KD 355 XL3 | 3,55 | 0,45 | 1500 | 400 | 50 | под расчет | |
| KD 400 M1 | 4 | 0,43 | 1500 | 230 | 50 | под расчет | |
| KD 400 M3 | 4 | 0,45 | 1500 | 400 | 50 | под расчет | |
| KD 400 XL1 | 4 | 0,85 | 1500 | 230 | 50 | под расчет | |
| KD 400 XL3 | 4 | 0,79 | 1500 | 400 | 50 | под расчет | |
| KD 450 M1 | 4,5 | 0,86 | 1500 | 230 | 50 | под расчет | |
| KD 450 M3 | 4,5 | 0,78 | 1500 | 400 | 50 | под расчет | |
| KD 450 XL1 | 4,5 | 1,39 | 1500 | 230 | 50 | под расчет | |
| KD 450 XL3 | 4,5 | 1,24 | 1500 | 400 | 50 | под расчет | |
| KD 500 M1 | 5 | 1,39 | 1500 | 230 | 50 | под расчет | |
| KD 500 M3 | 5 | 1,24 | 1500 | 400 | 50 | под расчет |











































