Унвент
®
Ваш производитель и поставщик вентиляционного оборудования
Адрес страницы:
http://unvent.ru/site/gal/7472
(на страницу товара в каталоге)
Дата:
суббота, 07 февраля 2026
Унвент
®
+7 985 318-40-16
с 8:00 до 18:00
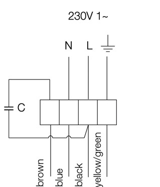
Схема подключения. Вентилятор RVF 100 XL