Унвент®

Ваш производитель и поставщик вентиляционного оборудования
Дата: суббота, 07 февраля 2026
Унвент®
+7 985 318-40-16
с 8:00 до 18:00

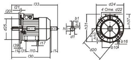
Габаритные размеры. Общепромышленные электродвигатели серии АДМ IM 2081, IM 2082, IM 3081, IM 3082, IM 2181, IM 2182, IM 3681, IM 3682

Габаритные размеры. Общепромышленные электродвигатели серии АДМ IM 2081, IM 2082, IM 3081, IM 3082, IM 2181, IM 2182, IM 3681, IM 3682