Унвент®

Ваш производитель и поставщик вентиляционного оборудования
Дата: суббота, 07 февраля 2026
Унвент®
+7 985 318-40-16
с 8:00 до 18:00

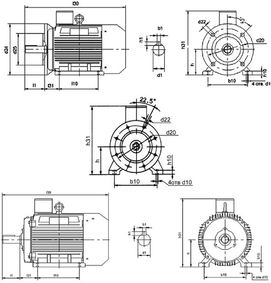
Габаритные и присоединительные размеры электродвигателей серии 5АИ с электромагнитным тормозом

Габаритные и присоединительные размеры электродвигателей серии 5АИ с электромагнитным тормозом